
海王星電磁泵廣泛應用于
農業營養劑添加
工業純水處理
工業廢水處理
市政環保水處理
海王星Neptune電磁隔膜泵特點
千分級的加工精度確保了Neptune電磁驅動計量泵有著穩定而精確的加藥精確度
PTFE隔膜能夠耐受市場上90%以上的常規化學液體
優化的結構使得Neptune電磁驅動計量泵節省空間,更便于客戶安裝
手動,4-20ma控制,脈沖信號控制等多種控制方式更多的為客戶提供方便
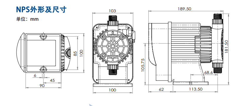
海王星Neptune電磁隔膜泵參數:


董志超 客戶經理
15000704469
地址:上海市閔行區光華路188號3號廠房
電話:021-64890289
郵箱:sales@kuosi.com.cn
傳真:021-51686350
網址:www.jtsanjian.cn
